HomeBlogs
Home|Blogs|Publications|Talks|Awards

What Shakespeare Can Teach You About Seeed Studio PCB Manufacturing

Published on Mar 7, 2022

Electronics are getting more and more accessible now - you don't have to be an engineer to start building things.

Simone Giertz

Image Image

Making any electrical project is highly sensitive because if it is not done correctly, we have to redo it and spend extra money, which is quite inconvenient for us. So, before embarking on any project, you must select a project manufacturer capable of producing projects precisely per our specifications. Here I will introduce you to the greatest and most experienced project manufacturers who can assist you in the creation of your projects. As a result, it can assist you in providing high-quality services linked to PCB boards in your project. Seeed Studio is the project's creator.

Reasons to choose Seeed Studio

  • They provide PCB services at extremely low pricing and with excellent quality.
  • Their offer is structured in such a way that everyone may have these boards at a reasonable price.
  • They have a highly knowledgeable crew that leads their clients to avail deals and guides them about the costs and rates of different services.
  • A four-layer board with a comparable feature costs $5 for 10 pieces and is made in four days.
  • SMT stencil with size (10cm x 13cm) is available for $8.00 per piece.

How to go about it

We will be using EasyEDA as it is an easy PCB design tool.

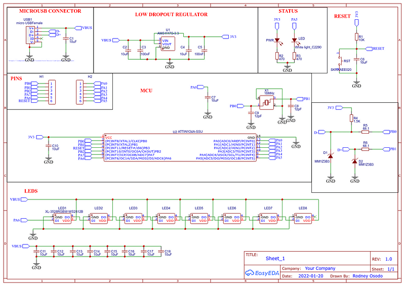
  1. Design your schematic and PCB
Image Image Image
  1. Export your Gerber files which will be required by Seeed Studion
Image
  1. Head over to Seeed Studio and order a PCB
  2. Add your Gerber files and select the necessary parameters for my case those were:
  • Base Material: FR-4
  • No. of Layers: 2 (This is automatically selected from your Gerber files)
  • PCB Dimensions: 61.2 * 93.7 (This is automatically selected from your Gerber files)
  • PCB Quantity: 10
  • No. of Different Designs: 1
  • PCB Thickness: 1.60 (This is automatically selected from your Gerber files)
  • PCB Color: White (You have the freedom to choose any available colour)
  • Surface Finish: HASL (Hot Air Solder Level processing applies a thin layer of solder on the pads)
  • Minimum Solder Mask Dam: 0.4mm
  • Copper Weight: 1oz (This is automatically selected from your Gerber files)
  • Minimum Drill Hole Size: 0.3mm (This is automatically selected from your Gerber files)
  • Trace Width / Spacing: 6/6 mil (This is automatically selected from your Gerber files)
  • Plated Half-holes / Castellated Holes: No
  • Impedance Control: yes
Image
  1. SMT Stencil order
Image
  1. Place your order
  2. The price breakdown is as follows
Image

Photobomb

Image Image Image Image Image Image

Lessons learnt

  1. This was my first SMT Stencil order so I am looking forward to the components arriving so that I could be able to solder them
  2. At the cost of USD$4.90 you get 10 boards in my case if you decide to panelise the boards you even get more boards
  3. The customer service with Seeed Studio is top-notch. I was in contact with one of their representatives the whole time.
  4. I even got a picture of how my PCBs looked before they shipped them.

Take away

Let's all assemble and head over to Seeed studio

Other kids went out and beat each other up or played baseball, and I built electronics.

Robert Moog

If you liked this article, click theπŸ‘ multiple times below so other people will see it here on Medium.

Let's be friends on Twitter. Happy Coding πŸ˜‰

Subscribe to get future posts via email